Hledat Přihlásit se Poptávka CZ / EN / AR

1LA7113-2AA

Výrobce: SIEMENS

Motory řad 1LA../1LG..
1LA7113-2AA
Třífázový asynchronní elektromotor s kotvou nakrátko se standardní účinností IE1. Základní řada pro použití ve všech typech standardních pohonů (ventilátory, čerpadla, dopravníky, obráběcí stroje atd.). Vhodné též pro řízení frekvenčním měničem.
V základním...

Více informací

Tento produkt v současné době nelze nabídnout. Zvolte si prosím jinou alternativu.
Vlastnosti výrobku
výkon (kW) 4
otáčky (ot/min) 2 905
účinnost EFF2
počet pólů (pól) 2
kostra motoru Aluminium
krytí IP55
velikost motoru 112M
třída izolace F
základní napětí (V) 400/690V D/Y 50Hz; 460V D 60Hz
jmenovitý vstupní proud (A) 4,52/7,8
kroutící moment (Nm) 13,10
hmotnost (kg) 28,50
druh zatížení S1
ložiska DE/NDE 6206 2ZC3 / 6206 2ZC3
Stav doprodej, doporučujeme náhradu
Náhrada IE1: 1LE1002-1BA2, nebo IE2: 1LE1001-1BA2
Polarita :: 2-pól (3000 ot/min) Účinnost :: IE1 (nízká účinnost) Ochrana proti výbuchu :: Bez ochrany - jen pro bezpečnou zónu Ochrana proti výbuchu :: Zóna 2 možná Ochrana proti výbuchu :: Zóna 21 možná Ochrana proti výbuchu :: Zóna 22 možná Režim provozu :: Síť / měnič Dodací termín EXW :: Termín a možnost dodávky na poptávku Provedení těla :: Hliník Stav produktu :: Výroba ukončena - poptejte náhradu
Polarita Účinnost Ochrana Režim Termín Materiál Stav

Porovnat výrobek


Konfigurace

Dokumentace

Popis

Rozměry

Příslušenství

Varianty produktu (výběr povinný):

Napětí motoru

Tvar motoru

Konfigurace produktu (volitelné vlastnosti):

IE1 motory s výjimkou ze směrnice EU 2009/125/ES

volba povinná - více viz sekce podpora

teplotní ochrany

modulární nástavby

napájení brzdy

(k dispozici jen v kombinaci s opcí G26 nebo F01)

ruční odbrždění

(k dispozici jen v kombinaci s opcí G26 nebo F01)

jiná IRC rotační čidla

ostatní napětí

ložiska

zajištěná ložiska

domazávání ložisek

protokoly

národní certifikáty a normy

stupeň ochrany

poloha svorkovnice

pozice přívodů svorkovnice

hřídel

vyvážení rotoru

antikondenzační výhřev vinutí

vinutí a izolace, zvýšená okolní teplota

snížená okolní teplota

zvýšená vlhkost

provedení pro Zónu 2, 21 nebo 22

(Nelze kombinovat s moduálrními nástavbami)

jiný tvar motoru

Dokumentace

Dokumentace na vyžádání

Rozměry

Rozměry 1LA711 IMB3 (patkový tvar)
Rozměry 1LA711 IMB3 (patkový tvar)
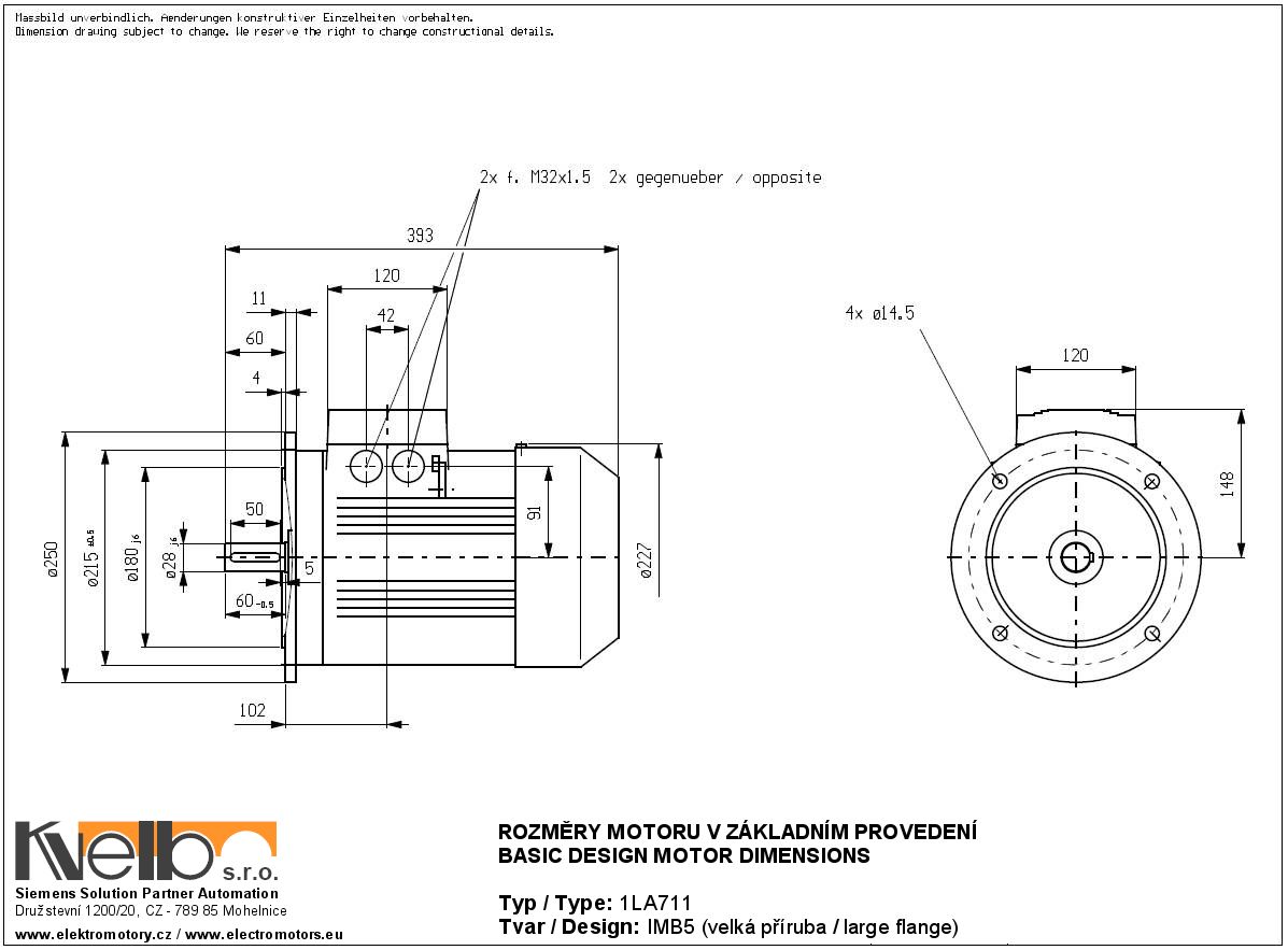
Rozměry 1LA711 IMB5 (přírubový s velkou přírubou)
Rozměry 1LA711 IMB5 (přírubový s velkou přírubou)
Rozměry 1LA711 IMB14FT (přírubový s malou přírubou)
Rozměry 1LA711 IMB14FT (přírubový s malou přírubou)
Rozměry 1LA711 IMB14FT (přírubový se střední přírubou)
Rozměry 1LA711 IMB14FT (přírubový se střední přírubou)

Popis

Třífázový asynchronní elektromotor s kotvou nakrátko se standardní účinností IE1. Základní řada pro použití ve všech typech standardních pohonů (ventilátory, čerpadla, dopravníky, obráběcí stroje atd.). Vhodné též pro řízení frekvenčním měničem.

V základním provedení pro teplotu okolí -20 až +40°C, nadmořskou výšku do 1000 mnm, bez teplotní ochrany, vlastní chlazení IC411, pro trvalé zatížení S1

Produkt nemá přiřazeno žádné příslušenství

Tento produkt v současné době nelze nabídnout. Zvolte si prosím jinou alternativu.