Pod značkou MEZ jsou v ČR již několik desítek let vyráběny kvalitní převodovky. Nabízený sortiment zahrnuje šnekové a čelní převodovky pro pohony nižších výkonů.
Tyto produkty není možno nakoupit v našem e-shopu, ale nabídku Vám rádi zpracujeme.

V nabídce značky MEZ jsou šnekové převodovky do výkonu 1,5 kW v rozsahu výstupních otáček 0,8 až 100 ot/min.
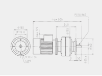
Malé šnekové převodovky určené pro montáž na pakopřírubové elektromotory osové výšky 63. Sestava motoru 1LA706x a převodovky SP-M je náhradou za dřívě dodávané, velmi populární kompaktní převodovky 4APS63-4(s) v jednofázovém provedení 1LF706x, převodovka SP-M je náhradou za 4APJS63-4(s).
Čelní převodovky MEZ jsou dodávány pro motory ve výkonovém spektru od 0,09 kW do 7,5 kW.